Talis S Pull Down Cold Water Dispenser

$350

AllModern

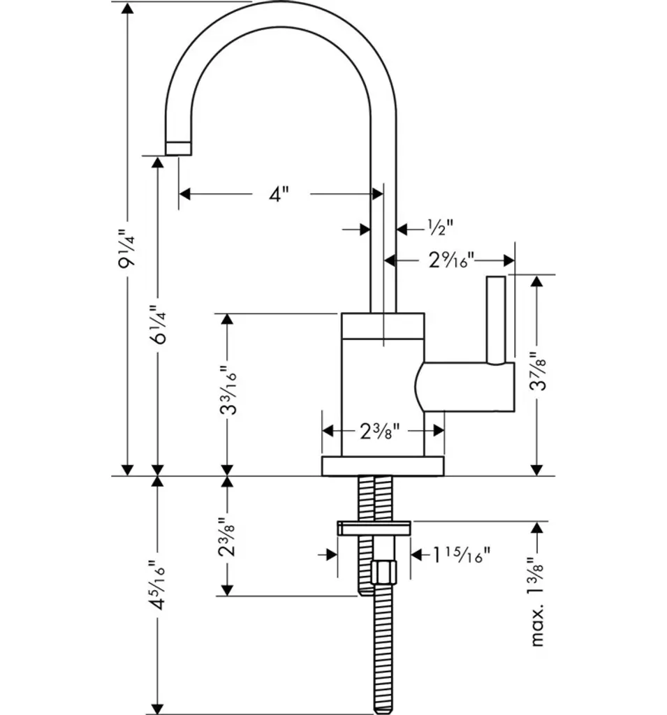
Enjoy the precision of the Talis S Beverage Faucet. This faucet, with its single handle lever, easily dispenses cold water. The high arc spout swivels for ultimate convenience in the kitchen. Upgrade your home with modern functionality.

26 reviews
4.8